info@mt-solutions-online.com

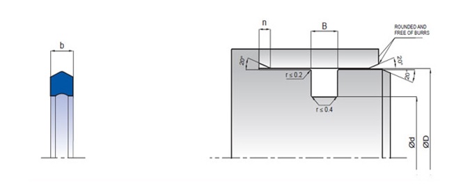
Hydraulique à double effet. Utilisé comme joint torique pour le remplacement de la bague d’appui. Bonne anti-extrusion et anti-torsion. Pour une application dans l’industrie alimentaire et pharmaceutique.

Application:
L’industrie alimentaire et médicale peut remplacer le type de joint torique traditionnel

Avantage:
Anti-extrusion, excellent empêche les performances de torsion

Matériel:
POLYURÉTHANE

Quelques références

EnglishFrench